跳至内容
小白笔记
首页
手册
计算
软件
供应商链接
论坛
问题反馈
Search for:
小白笔记
Main Menu
首页
手册
计算
软件
供应商链接
论坛
常用设计标准
常用数据
机械传动效率
摩擦因数
材料线胀系数
极限与配合
未注公差
形位公差
材料选用
轴的常用材料及其主要力学性能
常用原材料
热处理
常用热处理
表面处理
色卡色号
焊接
焊接工艺代号及符号
焊接结构的尺寸和形位公差
连接与紧固
螺纹连接
常用螺纹及螺纹标准
GB/T 196 普通螺纹 基本尺寸
螺纹连接件
铆钉连接
铆钉汇总
标牌铆钉
拉铆螺母
挡圈
GB 893 孔用弹性挡圈
GB 894 轴用弹性挡圈
GB 895 钢丝挡圈
GB 896 开口挡圈(E型挡圈)
键
普通平键
薄型平键
GB/T 1097 导向平键的尺寸与公差
GB 1144 矩形花键尺寸、公差和检验
销
GB/T 91 开口销
GB/T 117 圆锥销
GB/T 118 内螺纹圆锥销
GB/T 119 圆柱销
GB/T 120 内螺纹圆柱销
轴承
带座轴承
深沟球轴承
角接触球轴承
滚针轴承
电机
三相异步电机
单相电机
伺服电机
步进电机
气动
气缸理论出力
气缸及其附件
磁性开关及支架
管接头
阀类
电磁阀及其附件
气源处理元件
直线运动零件
直线导轨
直线轴承
滚珠丝杆(丝杠)
周边
固定式钢梯及平台安全要求
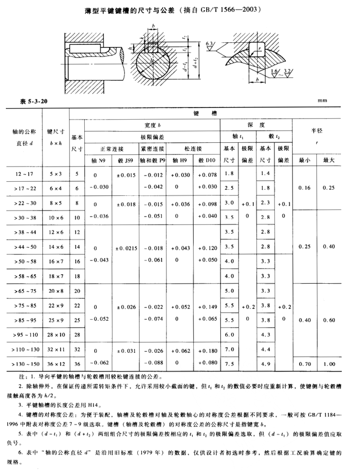
薄型平键
键槽尺寸
键尺寸
滚动至顶部